Retro Multiplayer Game Console
Final Product: The Completed Hardware Ecosystem
1. Introduction & Motivation
The Mission: Modern gaming has become increasingly complex, expensive, and isolated, often relying on high-end hardware and internet connectivity. "Project R&F" was conceived to revive the social aspect of gaming by engineering a console that bridges retro nostalgia with modern embedded technology. Our goal was to create a cost-effective, accessible, and purely offline multiplayer experience that encourages face-to-face interaction.
The Innovation: The primary innovation is to make old retro single-player games into multiplayer experiences. Unlike traditional retro emulators that use a single shared screen or split-screen software, this system drives two independent VGA monitors simultaneously. This allows for true "head-to-head" multiplayer functionality where each player has a dedicated view, yet the game state remains perfectly synchronized via a custom hardware link.
The Engineering Challenge: The project required the development of a distributed embedded network. To achieve real-time performance without an Operating System, we offloaded tasks across multiple specialized microcontrollers:
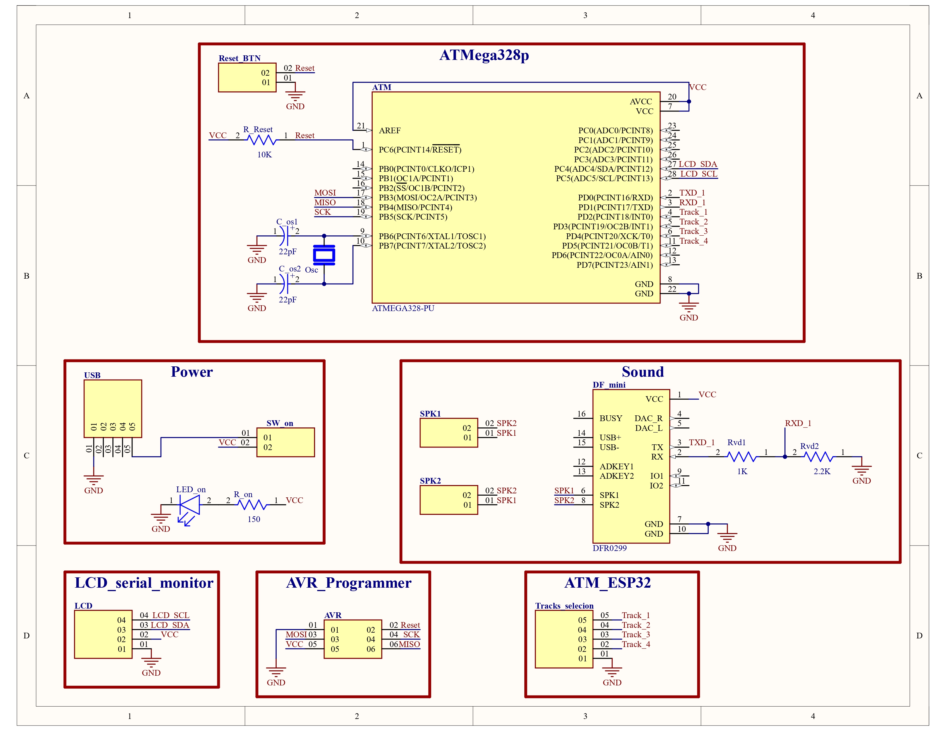
- Main Console: Two ESP32-WROVER units communicate via a high-speed UART bridge to sync physics with zero latency.
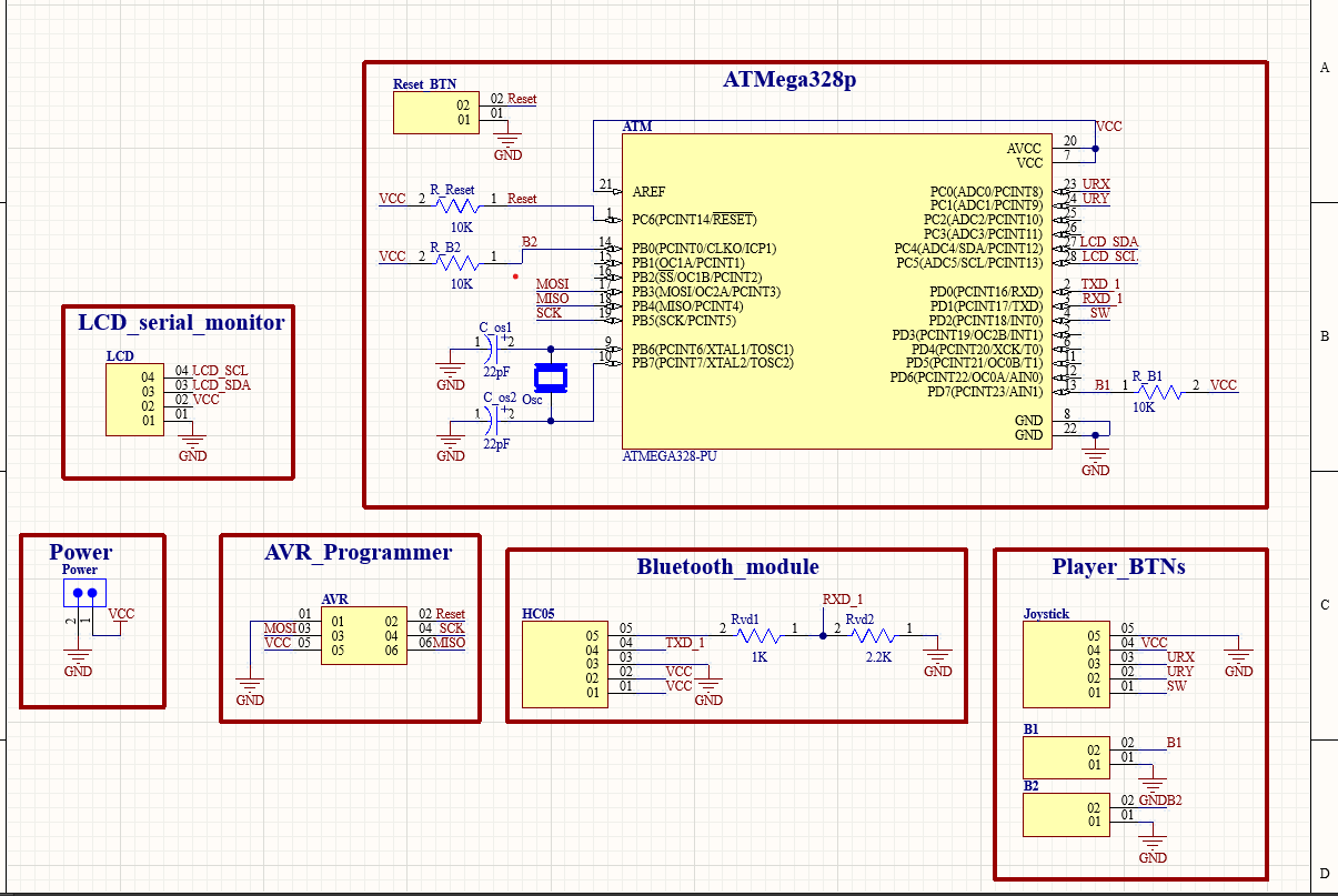
- Wireless Control: Custom-built controllers use ATmega328P chips to process analog inputs and transmit data via HC-05 Bluetooth modules.
- Visuals: Video signals are generated "bare metal" using Direct Memory Access (DMA) and GPIO bit-banging to produce standard VGA signals without a GPU.
My Role: Lead Electrical Engineer
Leading a team of three Computer Engineers, I was solely responsible for the entire hardware lifecycle. This included the schematic capture and PCB layout of all three system boards (Main Console, Audio Subsystem, and Controllers) using Altium Designer. I engineered the power architecture to support 72-hour runtimes, designed the mixed-signal VGA output stages, and managed the physical fabrication of the enclosures. Additionally, I bridged the gap between hardware and software, writing the low-level drivers for the Bluetooth stack and audio synchronization.
System Specifications
- Architecture: Distributed Network (2x ESP32 Masters + 2x ATmega328P Slaves).
- Video Output: Dual Stream Digital VGA (320x200 @ 60Hz).
- Power Autonomy: 72 Hours (Parallel Li-Ion Configuration).
- Synchronization: Hardwired UART Bridge (115200 baud).
- Wireless Latency: < 50ms (Bluetooth HC-05).
2. System Architecture & Component Selection
The decision to use a distributed multi-processor architecture was driven by the need to isolate high-speed video generation from asynchronous user input. Below is the rationale for the key components we selected for the final design.
Main Processing Unit: ESP32-WROVER-E
We selected the ESP32-WROVER-E for the main console due to its dual-core Xtensa LX6 architecture running at 240 MHz.
- Reasoning: The VGA signal generation requires strict timing (25.175 MHz pixel clock). A single-core MCU would struggle to handle this alongside game logic. With the ESP32, we could dedicate Core 1 entirely to video signal generation (using the I2S peripheral in parallel mode) while Core 0 handled the game physics, audio triggers, and UART communication.
- Memory: The WROVER module includes 8MB of PSRAM, which was essential for storing the double-buffered frame data required for smooth 60fps animation.
Controller Logic: ATmega328P
For the wireless controllers, we chose the ATmega328P (the chip found in the Arduino Uno).
- Reasoning: The controllers only need to sample analog inputs (joysticks) and digital buttons (tactile switches) and transmit them via UART. The ATmega328P is extremely power-efficient in this role and offers robust 10-bit ADC channels for precise joystick tracking.
- Form Factor: Using the standalone DIP-28 chip allowed us to design a custom PCB footprint that fits comfortably in a handheld enclosure, rather than using a bulky development board.
Wireless Communication: HC-05 Bluetooth
We utilized the HC-05 Bluetooth Classic module in a Master/Slave configuration.
- Reasoning: While Wi-Fi was an option, it introduces significant power overhead and connection latency. The HC-05 operating over the Serial Port Profile (SPP) provides a dedicated, low-latency data pipe that is simpler to debug and consumes less power than Wi-Fi.
- Implementation: We configured the controller modules as Masters and the console modules as Slaves, binding them to specific MAC addresses to prevent cross-talk in noisy RF environments.
3. Detailed Hardware Implementation
As a group, we focused on building a robust hardware ecosystem. My specific focus was on moving from breadboard prototypes to three custom-fabricated Printed Circuit Boards (PCBs). This required careful consideration of power integrity, signal routing, and thermal management.
Power Architecture Design
We engineered a power system designed for extreme endurance. The controller uses two 18650 Lithium-Ion batteries (3300mAh each) wired in parallel, providing a total capacity of 6.6Ah at 3.7V.
- Regulation: We integrated a high-efficiency DC-DC Step-Up Boost Converter to elevate the 3.7V battery voltage to a stable 5V, required for the ATmega328P and HC-05 modules.
- UPS Functionality: The design includes a TP4056-based load-sharing circuit that allows the device to charge via USB-C while simultaneously powering the system.
- Efficiency Analysis: With a 92% efficiency boost converter, the calculated usable energy is approximately 22.47 Wh, enabling over 72 hours of continuous runtime—far exceeding the initial 6-hour requirement.
Signal Integrity & Mixed-Signal Design
Generating a clean VGA signal from a microcontroller requires precise signal integrity.
- Logic Level Shifting: The HC-05 Bluetooth module operates at 3.3V logic, while the ATmega328P runs at 5V. We designed voltage divider circuits (1kΩ / 2.2kΩ) on the PCB TX/RX lines to safely step down signals.
- Audio Isolation: To prevent digital switching noise from coupling into the audio output, we physically separated the Audio Subsystem onto its own PCB with a dedicated ground plane.
- VGA Output: We routed the 5-pin VGA signals (Red, Green, Blue, H-Sync, V-Sync) directly from the ESP32 GPIOs, carefully matching trace lengths to minimize skew.
Bill of Materials (Selected Key Components)
*Note: This list highlights the most critical components in the system architecture, not the exhaustive BOM.
| Component |
Specification |
Quantity |
Role |
| ESP32-WROVER-E |
Dual Core 240MHz, 8MB PSRAM |
2 |
Main Console Processing & Video Generation |
| ATmega328P-PU |
8-bit AVR, 20MHz |
3 |
Controller Logic & Audio Management |
| HC-05 Bluetooth |
Bluetooth 2.0+EDR, SPP Profile |
2 |
Wireless Data Transmission (Input) |
| MT3608 |
2A DC-DC Step Up Converter |
2 |
Boosts 3.7V Li-Ion to 5V System Rail |
| DFPlayer Mini |
MP3 Decoder Module |
1 |
Hardware Audio Decoding |
| Analog Joystick |
2-Axis Potentiometer with Switch |
2 |
User Input Control |
4. Schematic Capture & PCB Fabrication
We utilized Altium Designer for the complete ECAD workflow. Below is the documentation of the three distinct boards we designed, routed, and assembled for this project.
1. Wireless Controller Schematic: Integrating ATmega328P, HC-05 Bluetooth, and Power Management circuits.
2. Controller PCB Layout: Compact form-factor optimized for handheld ergonomics with integrated antenna clearance.
3. Main Console Schematic: Dual ESP32 architecture showing the UART Synchronization Bridge.
4. Main Board PCB: The central processing hub hosting two ESP32s and dual VGA ports.
5. Audio Subsystem Schematic: Dedicated ATmega328P and DFPlayer Mini circuit.
6. Audio Subsystem PCB: Modular design to isolate analog audio from digital noise.
7. System Integration: The Main Console PCB physically mated with the Audio Subsystem.
8. Complete Hardware Suite: The full set of custom-fabricated boards for the console and controllers.
5. Verification & Performance Data
Rigorous testing was conducted to verify that the hardware met the demanding requirements of real-time gaming. The following data was collected during the final validation phase.
| Performance Metric |
Requirement |
Measured Result |
Status |
| Controller Battery Life |
≥ 6 Hours |
72 Hours (Avg of 6 trials) |
Exceeded |
| Input Latency |
≤ 100 ms |
38 - 52 ms |
Pass |
| Bluetooth Pairing Time |
< 10 Seconds |
4.02 Seconds (Avg) |
Pass |
| VGA Sync Stability |
60 Hz ± 1% |
60.1 Hz |
Pass |
| Power Rail Stability |
5V ± 5% |
5.0V ± 0.05V (Under Load) |
Pass |
6. Engineering Challenges & Solutions
Challenge: The "Everything Everywhere" Crash
Problem: Running Wi-Fi (for multiplayer), Bluetooth (for controllers), and VGA generation simultaneously caused system-wide failure due to radio resource contention on the 2.4GHz band.
Solution: We completely removed Wi-Fi from the architecture. We replaced it with a hardwired UART link (GPIO 16/17) between the two ESP32s. This decoupled the multiplayer sync from the radio stack, resolving the crash and lowering power consumption.
Challenge: Audio Latency & Jitter
Problem: Handling audio directly on the ESP32 introduced jitter into the VGA signal due to interrupt overhead.
Solution: We designed a dedicated Audio PCB with its own ATmega328P. The main console simply sends a brief 27ms GPIO trigger signal, and the dedicated board handles the heavy lifting of MP3 decoding via the DFPlayer Mini.
7. Engineering Skills & Tools Applied
This project served as a comprehensive application of electrical engineering curriculum, requiring the integration of power, analog, and digital domains.
Hardware Design
Altium Designer
Schematic Capture
PCB Layout
Mixed-Signal Routing
Component Selection
Design for Manufacturing (DFM)
Circuit Analysis
BOM Management
Signal Integrity
Impedance Matching
Embedded Systems
UART Synchronization
Bluetooth (HC-05)
VGA Signal Generation
ATmega328P
ESP32
Interrupt Handling
Serial Communication (I2C/SPI)
Datasheet Analysis
Power & Testing
DC-DC Converters
Battery Management
Oscilloscopes
Logic Analyzers
Current Profiling
Voltage Regulation
Soldering & Assembly
Power Budgeting
Team Leadership